Cooker Hood Fault Diagnosis

Spare Parts Experts

Fix your appliance today. Get the right part.

Our team of experts has vast knowledge of the industry. We’ll help you find any part you need and get it to you fast and cheaply from thousands in stock.

  • Thousands in Stock
  • Expert Support
  • Fast Shipping

  Fault Finding For Cooker Hoods

Cooker hoods are usually simple enough appliances to diagnose faults on and to repair or, they are at least to professional appliance repairers like ourselves.

If however you have no experience with them and take a peek inside you will very often see little more than a few enclosed housings and, quite probably, have no idea what is in behind the plastic cowls and covers. The good news here is that, for the vast majority of cooker hoods on the market the answer to the question of what lies beneath the covers is, not a lot really.

A typical stainless steel island cooker hood

  Cooker Hood Component Parts

In most cooker hoods, whether they are built in or integrated, island type, chimney and the common garden variety basic cooker hood there’s a handful of components in there, they are:

  • Motor: to draw the cooking air and odours into the hood and expel it to the outside or back into the kitchen
  • Lamp Holders: which hold the light bulbs in the cooker hood
  • Bulbs: we all know what that is although there are various flavours of bulbs used on cooker hoods
  • Control switch or PCB: this controls the speed of the motor and the lights usually

 

And, pretty much, that’s it. There’s only really four things that can go wrong in almost all cooker hoods.

Some fancy upmarket cooker hoods have an additional power board for the motor or, a remote control board and a switch only type electronic touch control at the front control panel but they’re best left to people that know about them and, if you bought one as fancy as that then you should be prepared to pay for any repairs that may be required as it won’t have been cheap.

You can also get remote motor hoods and, again, our advice would be not to mess with it, get someone that knows about this type of cooker hood to repair it for you as it’s much harder.

  Poor Cooker Hood Airflow Or Extraction

This we only usually hear of when a cooker hood is newly installed, it’s rare to get this on hoods that have been in a while as, if the motor fails then ti will fail  completely. Or, put it this way, we’ve never seen one fail partially in about 100 years of collective experience so, it’s extremely unlikely.

If you get poor airflow or extraction from your cooker hood it is far more likely to ba an issue with the vent to the outside or a simple case of the filters being blocked. 

  Cooker Hood Lights Failed

This is probably the single most common fault with any cooker hood.

There are also several reasons for it, some of which some people really don’t like being told about when they find out that they can’t have the lights on the cooker hood on all the time, which you can’t or at least shouldn’t.

Most cooker hoods are, let’s face it, cheap and nasty. The ones you get thrown in with most kitchens are the cheapest that the retailer could get and most people either don’t think or, don’t care about the cooker hood, it’s just an afterthought. So you get loads of them that don’t perform very well and have, let’s say, “quality issues”.

But they are cheap.

  Running the Cooker Hood For Extended Periods

If you run the lights all the time, especially simply for the effect, then the chances are that you will burn the plastic holders or clips that hold the lamp glass in place, it’ll fall down and smash on your hob or cooker and, that’s not good. But, if the bulbs weren’t switched on for extended periods beyond what the hood was designed for then it’s not a problem.

Then there’s the issue with the electronic modules that often switch the lamps on and off, these can also get hot and effectively fried just because the lights are left on for ages.

And of course, we have the lamp holders and, the same applies, if the lamps are left on for extended periods these will melt (as they’re usually made of plastic largely) and fall apart.

Most cooker hood bulbs and components are designed for light use, especially the low cost cooker hoods and not designed to be left on for extended periods of time.

If you get bulbs popping on your cooker hood all the time, this is probably the number one cause of the fault.

  Other Causes For Lamp Failure On A Cooker Hood

Other than the above the other things to check are the mains voltage supply as, if that’s not quite right it can give you issues with bulbs blowing prematurely as well as issues with the control module if your cooker hood has an electronic control in it.

Also check the lampholders as well as fi they have poor contact with the actual bulb it can arc can cause the bulb to pop.

The last resort is the control switch or control module for the cooker hood itself. Usually the lamps are controlled on a separate circuit within this so that they can be switch on and off without the motor having to be on, if that particular circuit fails for some reason then the lights will not work.

Beyond that, there’s really not much it can be.

  Finding Other Faults On A Cooker Hood

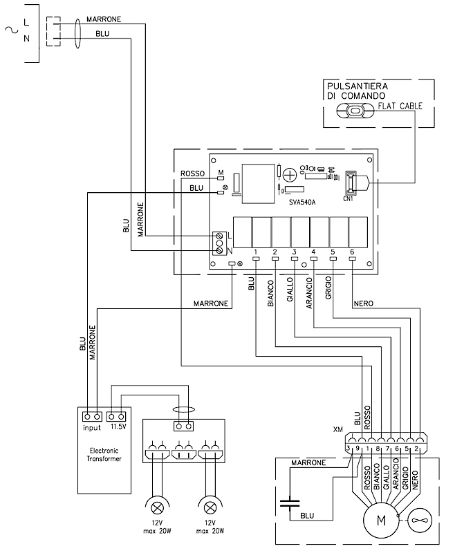
As we’ve said, cooker hoods tend to be rather simple appliances and, as such there’s not a lot in them. To demonstrate this we’ll show you a wiring diagram for a typical chimney cooker hood.

A cooker hood wiring diagram

This shows you how simple the wiring is in a typical cooker hood.

As it is so simple it is very easy to trace and find faults but this will often require that you trace the wiring if something isn’t working. Of course, remembering that working on a live appliance is not acceptable for safety reasons.

On this cooker hood you have the additional complexity of a transformer for the low voltage lighting as well as a control board with a seperate user input board and, even with that, it’s still not that complex really.

For the vast bulk of cooker hoods, the wiring will not be far away from this and, as you can see, virtually every component is routed through the main control switch or electronic module.

Because of this it makes the control module or switches the spot where failure is most likely to occur and, does.

By far and away the next most common fault is of course the electronic control module or switch. Contacts or relays blow, tracks lift and so on with regularity and this is the weak spot on most cooker hoods.

Motors rarely fail. Cooker hood motors do fail, but nowhere near as common as the other faults above so look to the main control board or switches before you go to the motor looking for a fault as they are rarely under any stress.

  Cooker Hood Spare Parts

As a spare parts company we can supply almost all cooker hood spare parts that are available but, in order to ensure that you get the correct spare part for your cooker hood it is absolutely essential that you have the model number of your cooker hood at the very least. For some makes you may also need to have production numbers or serial numbers as well.

If you can’t find it or aren’t sure please ask, it’s better to do that than get the wrong parts.

Cooker hoods are not all the same and, like most appliances, they do not (or rarely) use standardised parts.

Do not order merely off a photograph as a lot of cooker hood spares all look the same, especially the ones that you are liable to need like motors, control boards, lamp holders and filters.

The only standard parts are universal cooker hood filters, both grease and carbon filters and bulbs. Beyond that, they are by model and serial numbers only.

20 thoughts on “Cooker Hood Fault Diagnosis

  1. I have a 2 year old cooker hood model CH60SS. As I was cooking last night the fan/ motor suddenly stopped after 2 minutes from turning it on. The lights were still on and the red light on the left hand side of the 5 button switches is still on. What seems to be the problem on this?

  2. alica cooker hood motor only runs on number 6. will not run on other numbers 1 to 5. is it a capacitor problem ?

  3. I have a premier range cooker hood and all was fine until the lights went dim then off and the full appliance won’t work now ,everything is touch sensitive buttons but won’t work,I have checked the fuse it’s ok

  4. Hello, I need a new speed control for a cooker hood, no makers name buthas part no 6AE58102 50/09 .Can you help ?Regards Mike.

  5. Cooker hood APM 2310 have you a wiring diagram for the fan motor 3 position control switch, pleaseThank you D Godwin

  6. Hi Sirs,I would like to request the extract fan hood link though outside work to be done?if you could get the quotation please.

  7. Hi,My fan stopped working last night. I thought it was knackered but I’ve tried it today and it’s still spinning just very very slow. Same slow speed on every setting. Not sure what make it is as it was already installed when we bought the house. I think the model number is hdcs60ssDo you think it’s repairable?

  8. The article about oven hood problems doesn’t seem to match what I’m finding. My internal, unvented hood has worked fine for years. I now find that air is blowing downwards, from the back of the hob, at the hob’s level, across the flame, blowing the jets sideways. Is there a place to look for the advice, that I’ve missed?

  9. Belling cooker hood. model bellina. Bel 100 chimblkblackS/number 1J2HPFault with unit is that the lights when switched on only flicker once but do not stay on.please advise how to repair.many thanksB heggs.

  10. we have a BELLING “BELLINA” cooker hood (2 years old) and the lights have stopped working. when the light switch is pressed the bulbs light once but do not stay lit. The fan works fine with no visable faults. any ideas how to repair please.Belling Bellina cooker hoodBel 100 CHIMBLKblack(glen dimplex)home appliances ltdS/number 1J2HPmany thanks,Bill Heggs

  11. [quote name=”AndyMoore”]Hi,My fan stopped working last night. I thought it was knackered but I’ve tried it today and it’s still spinning just very very slow. Same slow speed on every setting. Not sure what make it is as it was already installed when we bought the house. I think the model number is hdcs60ssDo you think it’s repairable?[/quote][quote name=”AndyMoore”]Hi,My fan stopped working last night. I thought it was knackered but I’ve tried it today and it’s still spinning just very very slow. Same slow speed on every setting. Not sure what make it is as it was already installed when we bought the house. I think the model number is hdcs60ssDo you think it’s repairable?[/quote]Could be fat build up on the motor bearings, carefully apply a few drops of thin oil to each bearing

  12. Hi I have a premier range mood cooker hood.but it as stop working I changed the fuse in the plug but still I can’t get it to switch on. Do you have any ideas what may be causing this as it worked fine yesterday.Thanks

  13. Hi guys. I have a 10 year old plus, belling cookerhood model chim 100gr. Serial no 0001264. Or 050599161. It was wired up and working but I didn’t see it get de wired. I have no paper work or wiring diagram. The motor is there. The transformer for the lights and fan switch ie black box is there. But nothing else, to wire it just seems like there is something missing. Please help I’m at my wits end. Cheers Julian.

  14. I have a Siemens LC98BE542B cooker hood and would like to open a ventilation valve in my kitchen whenever the fan is running (because of a chimney fire nearby and not wanting to suck smoke into the room).The valve runs on mains power, but only uses tiny amounts of electricity.Does anyone know if cooker hood fan motors typically run on mains power? Could I therefore wire my valve in parallel from the same termination block?I’d be very grateful for your thoughts.

  15. HiMy extractor hood stopped suction and I can’t seem to get it working. The lights come on but no suction or motor sound… How can I sort this out? Would I have to replace the motor or can it be repaired? Thanks in advance.

  16. HiThe suction on my extractor has stopped but the lights come on when power is switched on. Is there a problem with the motor as I have checked the fuse to the power switch and that seems to be fine. The 3 suction switches don’t seem to be powering up. What can be done to diagnose and fix this issue? Thanks in advance.

  17. hi i hav a AEG cooker hood extractor, all works ok but motor will not kick in until wheel is turned abit , hav had all in bits and cleaned but still the same .. any idea`s?? thanks

  18. Hi we have a Electroluk EFI640 when we lifted the front panel to start the extractor fan and switch on the lights, one of the bulbs popped we changed the bulb and now nothing seems to work at all,any help would be welcome

  19. Hi I have a lunar extractor hood and the button for the light switch is constantly on and won’t turn off had to remove the bulbs any ideas what problem might be .

Leave a Reply

Your email address will not be published. Required fields are marked *